Water Pump & Fan, Sinotruk Spare Parts Pdf


 
Water Pump & Fan, Sinotruk Spare Parts Pdf

Keywords: sinotruk spare parts pdfsinotruk partsweichai wd615 catalog
 
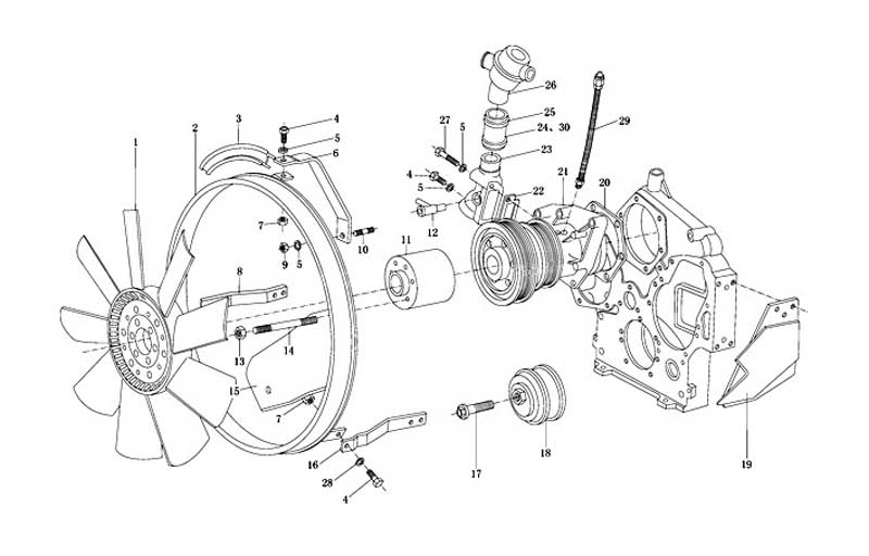
WATER PUMP & FAN
WEICHAI WD615 ENGINE PARTS CATALOG
Serial Part No. Name
1 612600060398  Visw hub
2 61560060004 Ring
3 AZ1560060016 Siphon
4 90003802424 Bolt
5 90003932023 Spring Washer
6 61560060012 Bracket
7 90003888451 Nut
8 61560060010 Bracket
9 90003871252 Nut
10 90003811420 Stud
11 61500060239 Flange
12 AZ1560060001 Pipe connector
13 90003888452 Nut
14 90003810020 Stud
15 99100590006 Left bracket
16 61560060011 Bracket
17 90011400001 Bolt
18 612600060391  Rolt C
19 99100590009 Right bracket
20 614060008 Seal pad
21 612600060389  Water pump ass’y
22 614060024 Joint
23 61560060022A Connector
24 612600060518  Tube
25 900003989306  Clamp
26 614060135 Thermostate ass’y
27 90003800467 Bolt
28 90003937283 Washer
28 90003930261 Washer
29 612600060456  Adding butter thingamy
30 61000060276 Rubber pipe

 
Other Pages:

Fuel Pump & High Pressure Pipe, Howo Truck Parts Catalog Pdf

Crankshaft & Flywheel, Sinotruk Spare Parts Pdf

Water Pump, Howo Truck Parts Catalog Pdf