AIR COMPRESSOR CONNECTING PART, SITRAK PARTS CATALOG


 
AIR COMPRESSOR CONNECTING PART, MC11 ENGINE PARTS CATALOG

Key words:sitrak mc11 engine catalogsitrak parts catalogs
 
AIR COMPRESSOR CONNECTING PART
SINOTRUK MC11 ENGINE CATALOG
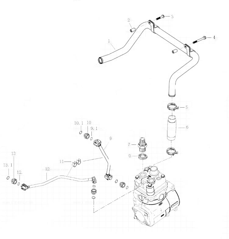
Serial Part Number Name
1 202V54120-5342 Air compressor intake pipe
2 VG1043130004 Fixed block
3 MQ6-03216-8308 Hexagon flange bolts
4 MQ6-03216-8314 Hexagon flange bolts
5 MQ6-67420-1244 Flexible steel clamp
6 202V96305-0046 Molded hose
7 MQ6-71251-2705 Connector
8 MQ6-56631-0112 Composite sealing gasket
9 200V06303-5838 Compressor cooling water inlet pipe
9.1 200V96501-0568 Annular seal
10 200V98181-6018 Screw-through connector
10.1 200V96501-0571 O-ring
11 200V97401-0552 Dual hose clamp
12 200V06303-5460 Compressor cooling return pipe
12.1 200V96501-0568 Annular seal
13 200V98181-6018 Screw-through connector
13.1 200V96501-0571 O-ring



More Catalogs:

AIR COMPRESSOR, T7H MC11 PARTS CATALOGS

GENERATOR, C7H MC11 ENGINE PARTS CATALOGS

STARTER, SITRAK MC11 ENGINE PARTS CATALOGS