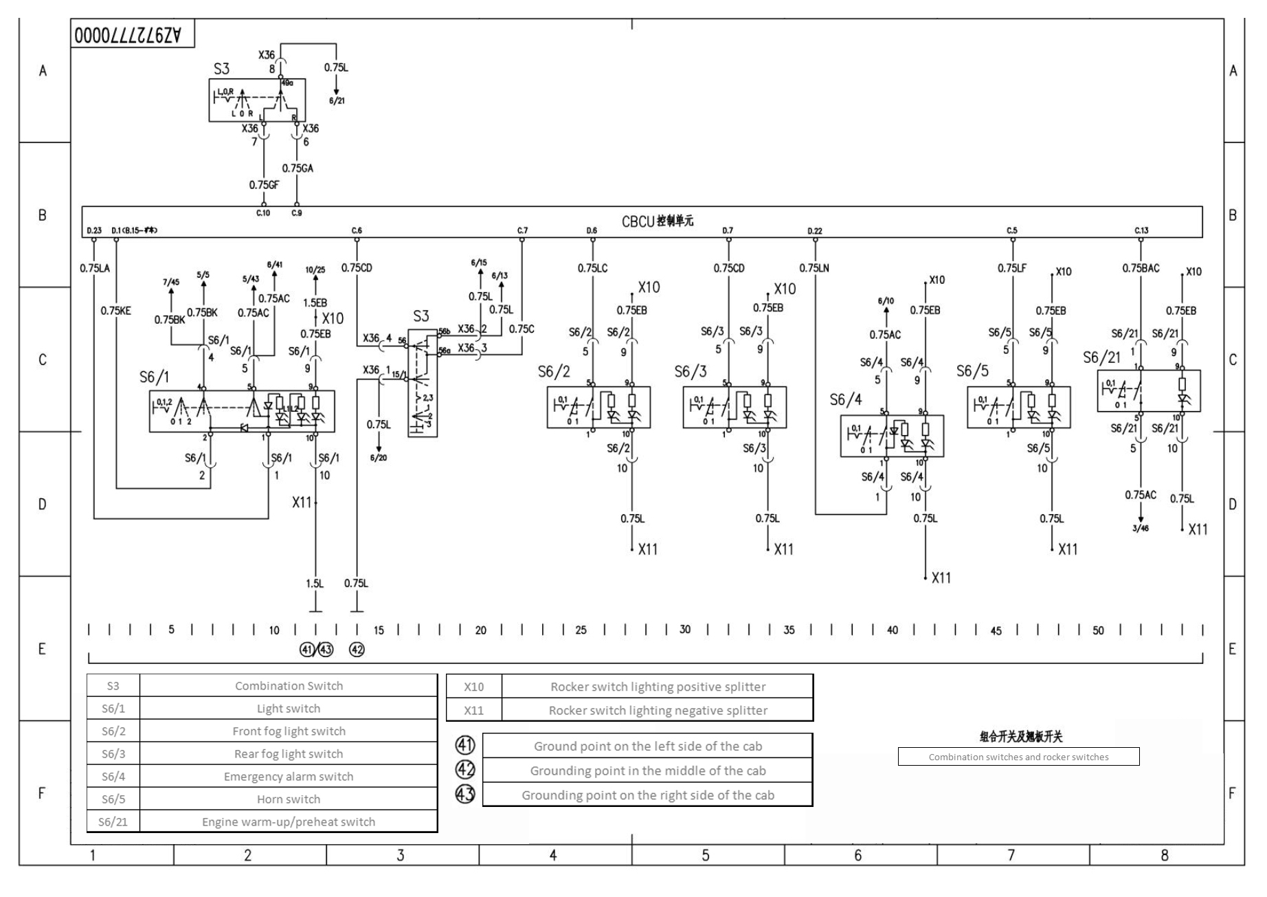
Sinotruk Electrical Diagram - Combination Switches & Rocker Switches

| S3 | Combination Switch |
| S6/1 | Light switch |
| S6/2 | Front fog light switch |
| S6/3 | Rear fog light switch |
| S6/4 | Emergency alarm switch |
| S6/5 | Horn switch |
| S6/21 | Engine warm-up/preheat switch |
| X10 | Rocker switch lighting positive splitter |
| X11 | Rocker switch lighting negative splitter |