SINOTRUK SITRAK HOWO TRUCK PARTS & CATALOG
  • HOME
  • ABOUT US
  • HOW TO BUY
  • PRODUCT
  • CATALOG
  • NEWS
  • CONTACT
THE COLUMN
  • PRODUCT
  • NEWS
  • CONTACT
  • CATALOG
HOME > CATALOG > Engine, WD615 Euro-II, Catalog >
Engine, WD615 Euro-II, Catalog
  • INJECTOR & FUEL PIPE, HOWO TRUCK SPARE PARTS CATALOGS

  • COUPLER, WD615-II, SINOTRUK SPARE PARTS CATALOGS

  • CYLINDER HEAD, WD615-II, SINOTRUK SPARE PARTS CATALOGS

  • CRANKSHAFT & FLYWHEEL, HOWO SPARE PARTS CATALOGS

  • FUEL PIPE, WD615-II, HOWO TRUCK PARTS CATALOGS

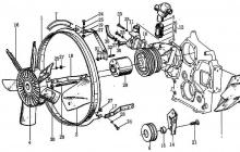
  • WATER PUMP & VENTILATOR, HOWO SPARE PARTS CATALOGS

  • WATER PUMP, WD615-II, HOWO SPARE PARTS CATALOGS

  • OIL PAN, WD615-II, SINOTRUK SPARE PARTS CATALOGS

  • OIL-WATER SEPARATOR, HOWO SPARE PARTS CATALOGS

  • TENSIONING WHEEL, SINOTRUK HOWO SPARE PARTS CATALOGS

1 2 下一页