CLUTCH CONTROL, HW19710T PARTS CATALOGS


CLUTCH CONTROL, HW19710T SINOTRUK HOWO PARTS CATALOG

Keywords: hw19710thowo truck parts catalog pdfhowo truck parts
 
CLUTCH CONTROL, HW19710T
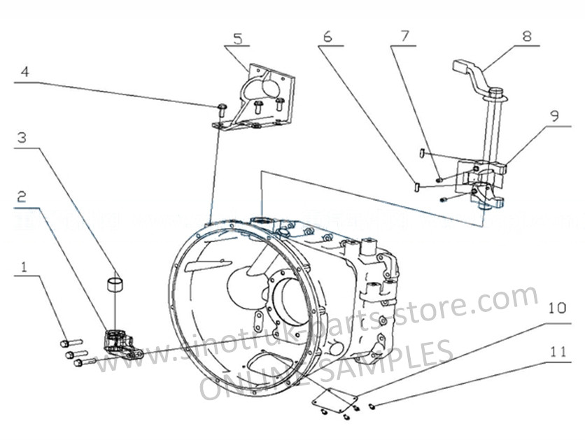
Serial Name Number Note
1 set of hexagonal head bolt and spring gasket q1421250  
2 shifting fork support wg2229260035  
3 compound bushing wg2229003030  
4 set of hexagonal head bolt and spring gasket q1421030  
5 booster cylinder support wg2229260015  
6 normal flat key 8x25a  
7 inner hexagonal cone screw q2881016f9  
8 shifting fork shaft wg2203260014  
9 clutch separating shifting fork wg2214260001  
10 cap wg2229260037  
11 set of hexagonal head bolt and spring gasket q1420612  



You may also be interested in:
 

MOTION CONTROL, HOWO TRUCK PARTS CATALOGS

ELECTRIC SWITCH, HW19710T PARTS CATALOGS

INPUT SHAFT & CAP, HW19710T HOWO PARTS CATALOGS