SINOTRUK SITRAK HOWO TRUCK PARTS & CATALOG
  • HOME
  • ABOUT US
  • HOW TO BUY
  • PRODUCT
  • CATALOG
  • NEWS
  • CONTACT
THE COLUMN
  • PRODUCT
  • NEWS
  • CONTACT
  • CATALOG
HOME > CATALOG > Gearbox, Howo HW19710T >
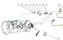
Gearbox, Howo HW19710T
  • HW19710T, SPECIFICATIONS, HW10 SERIES GEARBOX

  • DEPUTY SHAFT, HW19710T PARTS CATALOGS

  • MAIN SHAFT, HW19710T HOWO TRUCK PARTS CATALOGS

  • IDLER WHEEL, HW19710T PARTS CATALOGS

  • DEPUTY CASE OF RANGE GEAR, HW19710T PARTS CATALOGS

  • CAP & AIR BOOSTER, HW19710T PARTS CATALOGS

  • SHIFTNG FORK SHAFT, HW19710T PARTS CATALOGS

  • OIL PUMP AND PIPELINE, HW19710T PARTS CATALOGS

  • AIR CONTROL PIPELINE VALVE, HW19710T PARTS CATALOGS

  • CLUTCH CONTROL, HW19710T PARTS CATALOGS

  • MOTION CONTROL, HOWO TRUCK PARTS CATALOGS

  • ELECTRIC SWITCH, HW19710T PARTS CATALOGS

1 2