SINOTRUK SITRAK HOWO TRUCK PARTS & CATALOG
  • HOME
  • ABOUT US
  • HOW TO BUY
  • PRODUCT
  • CATALOG
  • NEWS
  • CONTACT
THE COLUMN
  • PRODUCT
  • NEWS
  • CONTACT
  • CATALOG
HOME > CATALOG > Driving Axle, STR, Howo >
Driving Axle, STR, Howo
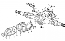
  • 1st Rear Driving Axle Housing, Howo STR Axle Parts Catalogs

  • 2nd Rear Driving Axle Housing, Howo STR Axle Parts Catalogs

  • 1st Rear Driving Axle Driving Assembly, Howo Parts Catalogs

  • 2nd Rear Driving Axle Driving Assembly, Howo Parts Catalogs

  • Wheel Reduction, Howo STR Rear Axle Parts Catalogs

  • Rear Brakes, STR Axle Howo Parts Catalogs